
应用
■ 适用于所有液体的通用型限位开关
■ 适用于容器和管道中的溢出保护、干运行保护和泵运转保护
■ 适用于石油、化工、水/废水、食品饮料、制药、冶金、轻工等行业
功能特性
■ 无机械活动部件、无磨损,使用寿命长
■ 多种过程连接可供选择
■ 测量稳定,不受流动、扰动、气泡、泡沫、振动、固体含量或粘附的影响
■ 无需调校,快捷的设备启用模式
■ 维修和维护成本低
■ 适用介质参数:
- 工作温度:T = -100 1) ... +250 °C 2)
- 工作压力:P = -0.1 ... +10 MPa
- 密度:ρ ≥ 500 kg/m³
描述
音叉液位开关的核心部件是位于音叉内的振动驱动装置,驱动音叉达到其谐振频率,当音叉被介质浸没时,音叉的频率降低,此频率变化由电子线路检测出来并转换成一个开关量信号,达到液位报警或控制的目的。
更多特性
■ 通过了隔爆认证安全可靠性高是石油、化工等易燃易爆领域液位测量的优选方案
■ 测量精度高、灵敏度 1 ... 10级可调、输出延时1 ... 20 s可调,给客户提供更多选择
■ 音叉长度42 mm,38 mm可选
可选项
■ 可为客户提供定制化解决方案
■ 多种过程连接:螺纹(≥1/2"),法兰(DN25 ... DN100),卡盘(1" ... 4"),DIN11851(DN20 ... DN100),DRD65
产品型号
防爆认证
应用实例
限位开关在实际使用时,主要用在两个方面,一方面是用于容器的高/低液位检测和控制,另一方面是用于管道检测,防止泵空转。
容器限位检测

如图所示,音叉液位开关通常采用侧装方式安装于容器侧壁,对液位高度进行上下限位置的检测,当容器不便侧面开孔时可采用顶装方式安装,安装位置需要避开进料时的冲击。
管道检测

如图所示,用于管道测量,防止泵空转,由于音叉的长度可以 短至38 mm可以用于较小口径的管道测量。
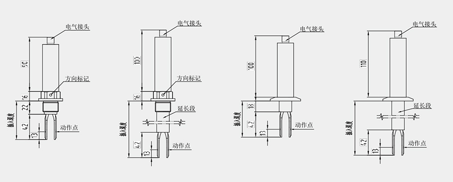
音叉液位开关,PI 型 TLS-S
音叉液位开关,PI 型 TLS-S
音叉液位开关,IN型 - ASC4 TLS-C
音叉液位开关,IN型 - M12 TLS-C
音叉液位开关,卫生型 - ASC4 TLS-H
音叉液位开关,卫生型 - M12 TLS-H
接线图
TLS-S
端子接线图参看接线盒盒盖内侧贴纸或使用说明书,请严格按照端子接线图接线
ASC4 赫斯曼接头
端子接线图参看使用说明书,请严格按照端子接线图接线
M12 接头
型号编码
举例:
